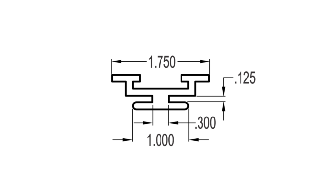
SG62

DUNNAGE RETAINER

MATERIAL: PVC
STANDARD COLOR: Black

SKU: SG62 Category:

Additional information

MATERIAL

PVC

STANDARD COLOR

Black